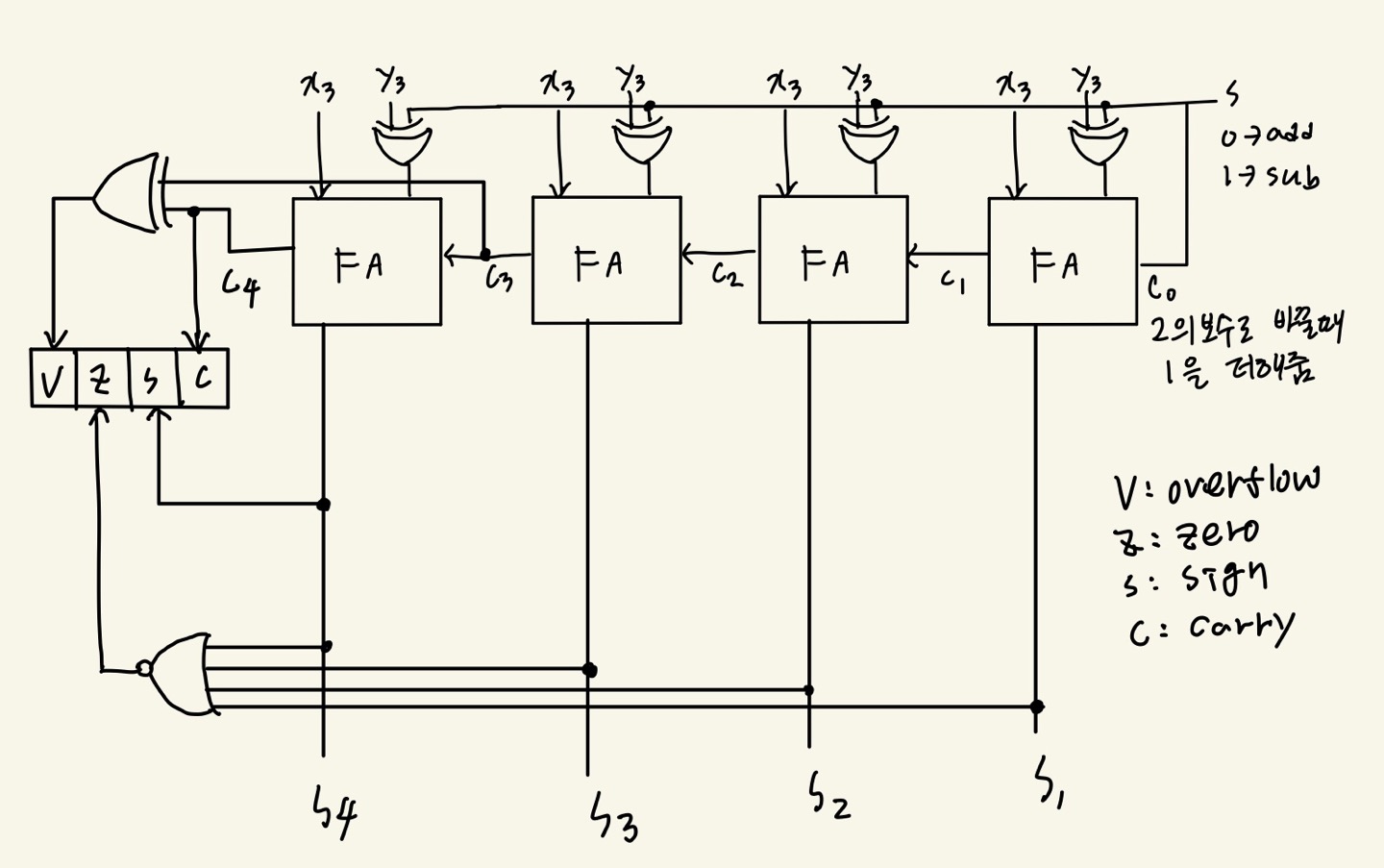
2의 보수를 쓰는 이유는?
-다른 부호의 덧셈에서 뺄셈이 필요없음(덧셈으로 뺄셈까지 가능)
-한개의 0으로 혼동(순환자리올림) 없음 cf. 1의 보수는 +0과 -0이 있음
-부호 확장 용이(MSB만 확장하면됨)
2의 보수에 대한 덧셈/뺄셈 연산
-두 수의 부호가 다를때: 자리 올림수 무시하고 10진수 연산하듯이 더한다. (무조건 범위안이기 때문)
-두 수의 부호가 같을때
-오버플로우(V)가 발생하지 않았을때는 위 과정과 동일
-오버플로우(V)가 발생시 계산 불가(MSB 기준 Cin ⊕ Cout = 1이면 오버플로우(V) 발생)
덧셈/뺄셈기 구조
